Our Rotary Valve Types

Our Rotary Valve Types

Anti Blocking Rotary Valve

Anti Blocking Rotary Valve

Drop through model.Its specialldesign for gravity feeding and pneumatic converying granular and pellets products.It has anti-blocking design in inlet.

Dimension:

dimension

Introduction

Main parames and option

Main parames and option

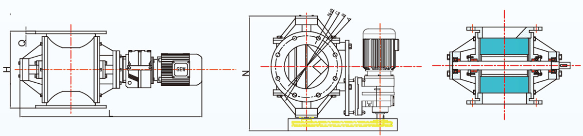
Produst Schematic Drawing

drawing

Technical Parameters

dimension

*Note:If match special flange,please let us know before production.

Leakage gas Diagram

Leakage gas Diagram

Different Pressure[bar]

Pergomance diagram

Pergomance diagram

Rotor Speed[rpm]

Get to know and contact us

The versatility of rotary valves means they can be adapted for countless other uses. Contact our engineering team for a solution tailored to your unique material and process requirements.